Robuta

https://www.de-motor-verzekering.nl/oldtimer-motorverzekering/
Oct 16, 2023 - Premie 42,- per jaar voor WA dekking. Rijd je minder dan 5000 km dan krijg je 10% extra korting. Kies tussen WA en WA + Casco.
oldtimermotorverzekeringmotorenouderendan
https://vandekuinder.nl/categorie/yamaha/motoren/sport-heritage/
sportheritagevandemotoren
https://vandekuinder.nl/categorie/yamaha/motoren/adventure/
adventurevandemotoren
https://www.imtest.de/kaufberatung/mobilitaet/e-bike-2023-trends-modelle-motoren-akkus-uebersicht/321674
Jun 3, 2023 - Die ersten E-Bikes 2023 stehen schon in den Startblöcken, die Trends des kommenden Jahres zeichnen sich ab. IMTEST verrät was 2023 kommt.
e bikeneue modelledietrendsakkus
https://www.autobild.de/artikel/toyota-proace-max-2024-23579553.html
Dec 8, 2023 - Toyota erweitert sein Nutzfahrzeug-Angebot und bringt 2024 eine große Version des Proace auf den Markt. Alle Infos zu Maßen, Motoren, Preis.
auto bildtoyotamaxmotoren
https://nl.motorsport.com/dakar/news/tussenstand-dakar-rally-2025-stand-motoren-autos-trucks/10685970/
Jan 17, 2025 - De Dakar Rally is de traditionele seizoensopener voor het racejaar. Lees in dit artikel de eindstand bij de motoren, auto's en trucks.
dakar rallystandbijdemotoren
https://www.overstappen.nl/nieuws/diefstal-van-scooters-motoren-en-fietsen-stijgt-met-38-procent/
Jan 28, 2026 - Lees bij ons het laatste nieuws, tips & tricks over besparen op je vaste lasten, algemene informatie over verzekeringen & energie. Bekijk alle...
vanscootersmotorenfietsenmet
https://botland.de/encoder/7179-satz-magnetischer-encoder-fur-pololu-27-18v-winkelmotoren-2-stk-pololu-1523-5904422309770.html
Satz magnetischer Encoder für Pololu 2,7-18V Winkelmotoren - 2 Stk. verfügbar in der Kategorie: Encoder erhältlich im Botland Robotics Shop. Weit
encodersetmotoren
https://vandekuinder.nl/motorzaak-dichtbij-zeist/
Nov 13, 2025 - Motorzaak dichtbij Zeist. Ontdek Yamaha, occasions en onderhoud bij Van de Kuinder Motoren in Hilversum. Plan je bezoek.
zeistvandemotoren
https://vandekuinder.nl/motorzaak-dichtbij-breukelen/
Dec 12, 2025 - Motorzaak dichtbij Breukelen. Bezoek Van de Kuinder Motoren in Hilversum, officiële Yamaha dealer met aandacht en tijd voor jou en je motor.
breukelenvandemotoren
https://vandekuinder.nl/privacy-policy/
Oct 17, 2025 - Laatst bijgewerkt op: 24-jun-2024Ingangsdatum: 24-jun-2024
privacy policyvandemotoren
https://www.goedhartmotoren.nl/goedhart-giftcard-2
giftcardmotoren
https://www.vredesactie.be/dossier/motoren-van-de-genocide
demotorenvan
https://nl.motorsport.com/dakar/news/dakar-rally-2026-favorieten-motoren/10786909/
Dec 31, 2025 - De Dakar Rally van 2026 begint op zaterdag 3 januari met een proloog in het Saudische Yanbu, zo ook voor de motoren. Welke teams en rijders behoren op voorhand...
dakar rallydefavorietenbijmotoren
https://www.br.de/franken/inhalt/nachrichten/recycling-seltene-erden-uni-erlangen100.html
Jan 11, 2012 - Zukünftig sollen wertvolle Metalle aus Motoren von Elektro- und Hybridfahrzeugen wiederverwendet werden. Die Universität Erlangen-Nürnberg hat ein...
unierlangenerdenausmotoren
https://www.zenderstreeknieuws.nl/nieuws/nieuws/433316/bulderende-motoren-zwarte-rookpluimen-en-spektakel-bij-truck-
Aug 11, 2025 - Montfoort - Op het terrein van Scholman aan de M.A. Reinaldaweg in Montfoort klonken het afgelopen weekend bulderende motoren en stegen zwarte rookpluimen. De...
motorenzwartebijtruck
https://vandekuinder.nl/vdk-specials/
Nov 7, 2025 - Ontdek de VDK Specials bij Van de Kuinder Motoren. Unieke Yamaha motoren met accessoires en styling op maat. Jouw motor, jouw stijl!
specialsvandemotoren
https://www.goedhartmotoren.nl/blog/de-nieuwe-triumph-bonneville-bobber
Nov 11, 2025 - Triumph presenteert de vernieuwde Bonneville Bobber 2026 een evolutie van een echte klassieker. Met een gespierder silhouet, moderne technologie en...
denieuwetriumphbonnevillemotoren
https://botland.de/motortreiber-module/20683-treiber-fur-24v-10a-pwm-usb-motoren-dfrobot-dri0050-6959420920815.html
Treiber für 24V / 10A PWM / USB-Motoren - DFRobot DRI0050 aus der Kategorie: Motorsteuerungen - Module zu kaufen im Robotik-Shop von Botland. Sehr schnelle...
treiberpwmusbmotorendfrobot
https://www.de-motor-verzekering.nl/category/merken-motoren/
We zijn gek op motoren. Jij waarschijnlijk ook. Ontdek jouw ideale motormerk: van sportief tot avontuurlijk. Welke merk motor is jouw favoriet?
typeen
https://www.ariemolenaarmotors.nl/gebruikte-motoren/
U zoekt gebruikte motoren? Kom langs bij Arie Molenaars Motors en maak een proefrit op de motor van uw dromen. Bekijk ons aanbod!
motorenariemotors
https://www.ebay.de/b/Automation-Antriebe-Motoren/42892/bn_16577341
Große Auswahl neuer und gebrauchter Automation, Antriebe & Motoren online entdecken bei eBay.de
online kaufenautomationmotorenebayde
https://www.diepresse.com/20386710/mit-lando-norris-und-e-motoren-die-sterile-formel-1-wird-emotional
Dec 8, 2025 - Die F1-Saison endete mit Premieren-Champion Lando Norris, der zu seiner Nervenschwäche steht. Die Rennserie setzt ab 2026 auf Nachhaltigkeit und Moderne.
lando norrismitunde
https://vandekuinder.nl/motorverzekering/
Oct 17, 2025 - Op zoek naar de beste motorverzekering voor uw Yamaha? YOU Yamaha Motor Insurance is dé specialist in het verzekeren van Yamaha motoren. Middels persoonlijk
motorverzekeringvandemotoren
https://www.zonwering.nl/nieuws/alles-wat-u-moet-weten-over-de-aanschaf-van-rolluik-motoren-/
Alles wat u moet weten over de aanschaf van rolluik motoren. Lees onze gids en vraag vandaag nog een offerte aan voor de beste rolluikoplossingen!
motorenalleswatumoet
https://vandekuinder.nl/gebruikte-motoren/
Nov 7, 2025 - Op zoek naar een betrouwbare gebruikte motor? Wij hebben een gevarieerd aanbod van top-occasions met BOVAG-garantie. Ze staan voor je klaar
motorenvande
https://vandekuinder.nl/winteracties-2025/
Nov 13, 2025 - Ook dit jaar zorgen we ervoor dat jouw motor weer tiptop klaarstaat voor het nieuwe seizoen. Voorkom lange wachttijden in het voorjaar en laat ons nu je motor
vandemotoren
https://nl.motorsport.com/motogp/news/overzicht-wanneer-onthullen-motogp-teams-hun-motoren-voor-2026/10782476/
Jan 2, 2026 - De eerste teams hebben inmiddels bekendgemaakt wanneer ze hun MotoGP-motorfiets voor 2026 onthullen. Motorsport.com zet alle data voor je op een rij.
overzichtmotogpteamshunmotoren
https://vandekuinder.nl/motorzaak-dichtbij-amersfoort/
Nov 12, 2025 - Motorzaak dichtbij Amersfoort? Kom naar Van de Kuinder Motoren in Hilversum. Plan je proefrit vandaag nog bij de officiële Yamaha dealer
amersfoortvandemotoren
https://www.chip.de/artikel/E-Bikes-mit-Yamaha-Motoren-Fuenf-Kauftipps-zu-jeder-Motor-Variante_185900486.html
Yamaha gegen Bosch & Bafang: Diese E-Bikes mit Yamaha-Motor bieten starke Leistung und sind unsere Top-Tipps für jedes Terrain.
emityamahazumotor
https://www.tinytronics.nl/nl/mechanica-en-actuatoren/motoren/dc-motoren
dcmotoren
https://vandekuinder.nl/motorzaak-dichtbij-soesterberg/
Dec 17, 2025 - Motorzaak dichtbij Soesterberg. Bekijk Yamaha modellen en occasions bij Van de Kuinder Motoren in Hilversum. Plan je bezoek.
soesterbergvandemotoren
https://nl.motorsport.com/dakar/news/daniel-sanders-wint-tweede-etappe-tijdbonus-dubbeslag/10788010/
Jan 5, 2026 - Daniel Sanders heeft een dubbelslag geslagen in de tweede Dakar-etappe voor de motoren. De titelverdediger van KTM won de etappe door tijdbonussen en neemt de...
sandersmotorenna
https://www.2dehands.be/v/motoren/motoren-suzuki/m2276161246-suzuki-gs-550-e-te-koop
Te koop Suzuki GS550 E in zijn jus.Mooi om te verbouwen naar cafe racer of dergelijkeMooi restautieproject met onderdelen.Moto staat in de wax ter
te koopsuzukigsmotoren
https://vandekuinder.nl/categorie/yamaha/motoren/hyper-naked/
hypernakedvandemotoren
https://vandekuinder.nl/categorie/yamaha/scooters/urban-mobility/
urban mobilityvandemotoren
https://www.mince.nl/producten/Snail-Vibe-Duovibrator-met-2-motoren/p22909/
Gesynchroniseerde stimulatie van vagina en clitoris. Permanent contact met de clitoris, € 84,95 Variabele insteekdiepte, Elke arm heeft 5 vibratiestanden...
snail vibemetmotorenpaarszwart
https://nl.motorsport.com/dakar/news/honda-ervaren-line-up-nieuwe-dakar-zege-motoren/10783368/
Dec 8, 2025 - Honda HRC heeft het fabrieksteam gepresenteerd dat in januari op jacht gaat naar de overwinning in de Dakar Rally. De ervaren line-up bestaat uit vier rijders,...
hondametervarenlineop
https://www.stiga.com/de/zubehoer/universalzubehor.html
Gartenprodukte für: Rasenmäher, Kettensägen, Motorsensen und Motorhacken für dauerhafte Leistung. Entdecken Sie das gesamte Sortiment an STIGA-Zubehör.
undmotorenkomponenten
https://vandekuinder.nl/contact/
Nov 7, 2025 - Van de Kuinder Motoren is Yamaha Exclusief Dealer in Hilversum en omstreken. Volledige aandacht, eerlijk advies. Zo kom je met ons in contact →
vandemotoren
https://banierhuis.nl/blog/wat-voor-e-bike-motoren-bestaan-er-n10
Een simpele uitleg over de verschillende e-bike motoren, met hun voor - en nadelen.
e biketypemotorener
https://press.mantruckandbus.com/corporate/de/man-weitet-service-massnahmen-bei-aelteren-fahrzeugen-mit-euro-6c-motoren-aus/
90 Prozent der bisherigen Service-Aktionen für Fahrzeuge mit D26-Euro-6c-Motoren der Baujahre 11/2016 bis 8/2019 abgearbeitetResultat: Service-Maßnahmen...
manservicebeimiteuro
https://tiptop-einrichtung.de/products/fusspflegestuhl-elektrisch-3-motoren
Entdecken Sie den Fußpflegestuhl elektrisch, mit 3 Motoren, Fußpflegestuhl B-Light LED Beleuchtung. Kaufen Sie jetzt und verbessern Sie Ihr...
kaufenelektrischmitmotorenstuhl
https://www.boote-magazin.de/motoren/aussenborder/honda-marine-v6-und-vier-zylinder-motoren-noch-besser/
Nov 17, 2025 - Honda Marine präsentiert auf der Paris Nautic Show 2025 verbesserte V6- und Vierzylinder-Außenborder. Der Artikel zeigt, welche Modelle überarbeitet werden.
hondamarineundmotorenbesser
https://www.manners.nl/category/wheels/
Wheels: de dikste sportwagens tot de meest luxe sedans, awesome klassiekers en ook de vetste custom bikes: als het wielen, klasse en uitstraling heeft...
wheelsvandikketotmotoren
https://www.somfy.de/
Motoren & Steuerungen für Rolläden ✓ Jalousien ✓ Markisen ✓ uvm. sowie Lösungen rund um Ihr Smart Home. Entdecken Sie die Somfy-Welt ➨ somfy.de
somfymotorensteuerungenundsmart
https://vandekuinder.nl/motor-verkopen/
Nov 13, 2025 - Motor verkopen? Maak het makkelijker dan ooit om je motor te verkopen. Vraag een prijs aan wellicht is hij zo verkocht!
motorverkopenvande
https://insideevs.de/news/780248/aspark-owl-roadster-vorstellung/
Nov 28, 2025 - Die japanische Ingenieursfirma Aspark stellt eine offene Version der
aspark owlroadstermitmotoren
https://botland.de/13-motor-und-servo-steuerungen
Motor- und Servotreiber sind das Herzstück jedes Systems, das mit einem Motor oder Servo ausgestattet ist. Besuchen Sie unseren Shop und wählen Sie das...
treibermotorenundservos
https://vandekuinder.nl/motornieuws/
vandemotoren
https://www.elbil24.no/pro/elbilskolen-motoren/71205244
Jun 16, 2020 - Slik virker motorene i elbiler.
motoren
https://botland.de/328-standard-dc-motoren-mit-getriebe
Bürstenbehaftete DC-Motoren mit Untersetzungsgetriebe und integriertem Encoder - erhältlich im Robotik-Shop von Botland. Überprüfen Sie die Details unseres...
standarddcmotorenmit
https://vandekuinder.nl/motorzaak-dichtbij-zeewolde/
Nov 13, 2025 - Motorzaak dichtbij Zeewolde. Van de Kuinder Motoren biedt Yamaha, gebruikte motoren en onderhoud voor meerdere merken. Tot snel!
zeewoldevanmotoren
https://www.sport.de/news/ne16333153/droht-wegen-der-neuen-formel-1-motoren-ein-protest/
Dec 22, 2025 - Haben Mercedes und Red Bull einen unfairen Motorenvorteil? Vor dem Start der neuen Regelära gibt es Zoff um die Antriebe - beim ersten Rennen droht ein Protest
wegenderneuenmotorenein
https://www.routiers.ch/routiers-zeitschrift/detail/midland-neues-oel-fuer-neueste-motoren
midlandneuesmotoren
https://www.tour-magazin.de/rennraeder/e-rennrad/uberblick-motoren-fur-rennrader-und-gravelbikes/
Nov 12, 2025 - Die führenden E-Bike-Motoren für Straße und Gravel. Der passende Antrieb für jeden Fahrstil und die besten Marken im E-Antrieb Sektor.
eundim
https://vandekuinder.nl/motoronderhoud/
Nov 7, 2025 - Natuurlijk kun je bij Van de Kuinder Motoren in Hilversum ook terecht voor motoronderhoud, reparatie en schadeherstel! Ook voor de montage van accessoires ben
vandemotoren
https://www.heise.de/bestenlisten/testsieger/top-5-e-bike-die-besten-motoren-und-akkus-zum-nachruesten/h7gc6wh
Jul 22, 2022 - Ab 250 Euro kann man ein E-Bike nachrüsten. Wir zeigen, welche Motoren sich von Bafang, Pendix, iMortor und Bikight lohnen. | Heise online bestenlisten
e bikedie bestentopmotorenakkus
https://www.goedhartmotoren.nl/blog/de-nieuwe-triumph-street-triple-765-rx-en-street-triple-moto2
Nov 21, 2025 - Triumph presenteert de nieuwe Street Triple 765 RX en Street Triple Moto2™ Edition voor 2026. Deze iconische naked bikes combineren high-performance...
denieuwetriumphstreettriple
https://nos.nl/collectie/14009/video/2597007-gewapende-mannen-op-motoren-rijden-caracas-binnen
Jan 4, 2026 - Op beelden is te zien hoe gewapende mannen op motoren door Caracas rijden. Veel inwoners van de Venezuelaanse hoofdstad durven de straat niet meer op.
mannenopmotorenrijdencaracas
https://nl.motorsport.com/dakar/news/edgar-canet-eerste-slag-zege-proloog-motoren-dakar-2026/10787731/
Jan 3, 2026 - Edgar Canet heeft zijn debuut in de RallyGP-klasse van Dakar opgeluisterd met een zege in de proloog. De Spanjaard van KTM rekende nipt af met teamgenoot en...
caneteersteslagmetmotoren
https://botland.de/motortreiber-module/21161-zweikanal-treiber-fur-qwiic-motoren-11-v-12-a-sparkfun-rob-15451.html
Zweikanal-Treiber für Qwiic-Motoren - 11 V / 1,2 A - SparkFun ROB-15451 aus der Kategorie: Motorsteuerungen - Module zum Kauf im Botland-Robotikshop...
treibermotorenv
https://vandekuinder.nl/cookies/
Oct 17, 2025 - Ingangsdatum: 24-jun-2024Laatst bijgewerkt: 24-jun-2024
cookiesvandemotoren
https://vandekuinder.nl/motorzaak-dichtbij-uithoorn/
Nov 13, 2025 - Motorzaak dichtbij Uithoorn. Voor Yamaha, occasions en onderhoud voor diverse merken ga je naar Van de Kuinder Motoren in Hilversum.
uithoornvandemotoren
https://www.aktuelle-technik.ch/effizienzmessung-kleiner-motoren-a-e5541d219f08cc59a52ca48741e019bd/
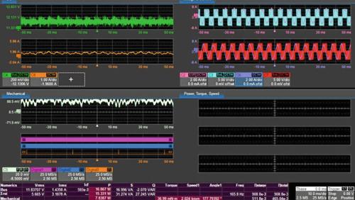
Nov 14, 2025 - Der Teledyne LeCroy Motor Drive Analyzer misst effizient den Wirkungsgrad kleiner Motoren und Antriebe ohne teure Dynamometer. Er erfasst Spannung, Strom,...
motoren
https://goonline.nl/cases/termaat-motoren/
In deze case lees je hoe we een organische stijging van 36% hebben behaald door het inzetten van SEO voor Termaat Motoren.
samenwerkingmotorenampgoonline
https://vandekuinder.nl/motorzaak-dichtbij-baarn/
Nov 12, 2025 - Motorzaak dichtbij Baarn. Ontdek Van de Kuinder Motoren in Hilversum, Yamaha dealer met showroom, werkplaats en persoonlijke service
baarnvandemotoren
https://www.codico.com/de/produkte/elektromechanische-bauelemente/motoren-steuerungen
Motoren & Steuerungen - Wir bieten ein großes Portfolio an Schrittmotoren ✓ Hohe Qualitätsstandards ✓ Kompetente Beratung
motorenampsteuerungencom
https://www.ariemolenaarmotors.nl/35-kw-motoren/
Bent u op zoek naar 35 kW Motoren? Bekijk het uitgebreide aanbod op de website van Arie Molenaar Motors!
kwmotorenrijbewijsariemotors
https://www.aktuelle-technik.ch/motoren-im-einsatz-fuer-die-landwirtschaft-40-a-7b9ceb1d581bd99a8ac276a1297af830/
Nov 14, 2025 - Agrarroboter gelten als Schlüsselelement der Landwirtschaft 4.0. Sie sollen Arbeitsprozesse automatisieren, Ressourcen schonen und den steigenden...
im einsatzmotorendielandwirtschaft
https://vandekuinder.nl/yamalube/
Oct 17, 2025 - Elke Yamaha is ontworpen voor efficiënt, effectief en betrouwbaar gebruik. De beste manier om de hoge prestaties en lange levensduur van uw Yamaha in stand te
vandemotoren
https://www.tinytronics.nl/nl/mechanica-en-actuatoren/motoren/brushless-dc-(bldc)-motoren
Brushless DC (BLDC) motoren -
dcmotoren
https://www.vdi-nachrichten.com/test/zuverlaessig-angetrieben-worauf-es-bei-grossen-und-kleinen-motoren-jetzt-ankommt/
Nov 17, 2025 - Egal ob in großen Industrieanlagen oder in feinfühligen Roboterhänden, Antriebstechnik muss zuverlässig ihren Dienst verrichten. An anderer Stelle setzen
esbeiundmotorenjetzt
https://www.jaguar.nl/ownership/choose-your-engine/index.html
Aan u de keuze. Beantwoord 5 korte vragen over uw rijgewoonten om te zien of u voor uw volgende Jaguar het beste een volledig elektrisch, plug-in hybrid-,...
jaguarmotorenelektrischplughybrid
https://vandekuinder.nl/categorie/yamaha/scooters/
scootersvandemotoren
https://www.codico.com/de/produkte/elektromechanische-bauelemente/motoren-steuerungen/dc-motoren
Wir bieten Gleichstrommotoren mit Bürsten/bürstenlos mit hohen Qualitätsstandards ✓ Top Hersteller ✓ Jetzt Muster anfordern
dcmotorencom
https://vandekuinder.nl/categorie/yamaha/motoren/supersport/
supersportvandemotoren
https://www.goedhartmotoren.nl/blog/black-friday-deals
Nov 25, 2025 - Black Friday bij Goedhart Motoren Black Friday is begonnen bij Goedhart Motoren! Het is dé tijd om je motoruitrusting te upgraden, want onze...
black friday dealsmotoren
https://vandekuinder.nl/motorzaak-dichtbij-ijsselstein/
Nov 13, 2025 - Ben je op zoek naar een motorzaak dichtbij IJsselstein waar kwaliteit, eerlijkheid en persoonlijke service samenkomen? Bezoek Van de Kuinder Motoren in
ijsselsteinvandemotoren
https://vandekuinder.nl/categorie/yamaha/motoren/sport-touring/
sport touringvandemotoren
https://vandekuinder.nl/motorzaak-dichtbij-utrecht/
Nov 13, 2025 - Motorzaak dichtbij Utrecht. Van de Kuinder Motoren biedt Yamaha, occasions en service voor diverse merken. Kom langs in Hilversum.
utrechtvandemotoren
https://www.misssteel.nl/vibrerende-buttplug/rebel-mens-gear-buttplug-met-3-krachtige-motoren/
Jun 12, 2025 - Koop jouw Rebel Men's Gear - Buttplug met 3 Krachtige Motoren discreet bij Miss Steel. Voor 23.00 uur besteld, morgen discreet aan huis bezorgd.
rebelmengearbuttplugmet
https://keyscustoms.nl/chiptuning/
Nov 6, 2025 - Verhoog het vermogen, de efficiëntie en de respons met automatische chiptuning en ECU-tuning op maat van je auto. Boek vandaag nog!
enecutuning
https://vandekuinder.nl/motorzaak-dichtbij-amsterdam/
Nov 12, 2025 - Zoek je een motorzaak dichtbij Amsterdam? Van de Kuinder Motoren in Hilversum is Yamaha dealer met showroom en eigen werkplaats.
amsterdamvandemotoren
https://shop.calvendo.de/products/schraubertraume-sexy-manner-zwischen-motoren-und-ol-calvendo-wandkalender-2026
Erotischer Männerkalender: Sexy, verschwitzt und kraftvoll. Heißer Blick auf muskulöse Mechaniker mit Sixpack, Öl und Werkzeug in der Werkstatt...
sexymotorenund
https://www.fibl.org/de/infothek/meldung/bio-symposium-wir-koennen-die-motoren-fuer-die-veraenderung-sein
biosymposiumquotwirdie
https://vandekuinder.nl/pre-order-jouw-yamaha/?utm_source=motoroccasion&utm_medium=referral&utm_campaign=banner
Oct 17, 2025 - Rijd volgend seizoen op jouw Yamaha. Bezoek Van de Kuinder Motoren, pre-order vandaag nog, en verzeker jezelf van jouw perfecte droommodel!
pre orderyamahabijvanmotoren
https://www.goedhartmotoren.nl/blog/nieuwe-2026-motoren
Nov 7, 2025 - Ben jij benieuwd naar welke nieuwe motoren er in 2026 op de markt komen? Ontdek de nieuwste motoren die tot nu toe gepresenteerd zijn. Zo kun jij je alvast...
nieuwemotoren
https://nl.motorsport.com/dakar/news/dakar-2026-tussenstand-autos-motoren-trucks/10787518/
Jan 4, 2026 - Wie gaan er aan de leiding van de Dakar-klassementen na eerste etappe in de omgeving van Yanbu? Motorsport.com zet de top van de tussenstanden voor je op een...
dakarbijautomotorentrucks
https://vandekuinder.nl/motorzaak-dichtbij-diemen/
Nov 13, 2025 - Motorzaak dichtbij Diemen. Van de Kuinder Motoren in Hilversum is Yamaha Exclusief Dealer en verzorgt onderhoud voor elk merk. Plan je bezoek.
diemenvandemotoren
https://www.tinytronics.nl/nl/mechanica-en-actuatoren/motoren
motoren